Porsche 944 Fuel Filter Location - Fuel Filter Porsche 911 924 928 944 Fuel Pump Add On Parts Engine Porsche 911 Porsche Hoffmann Speedster / Unfollow porsche 944 fuel filter to stop getting updates on your ebay feed.. Refer to the component location photos and tables in this repair group for electrical component locations. Quick shipping from multiple locations in the usa! Fast shipping, a+ rating from bbb, and usa customer support. Great with synthetic or conventional oil. Improve fuel economy and learn how to determine if the filter is dirty on your 1987 porsche 944 turbo 2.5l 4 cyl.

Your 944 surge because of a lack of fuel pressure on high speed, between 120km/h up to 215km/h. Uro parts 993 615 227 01 dme/fuel pump relay. See more of 944online new and used porsche 944 parts on facebook. 20 year old fuel filter! Although the porsche 944 started selling in 1982, the porsche 944 turbo did not make it's international debut until march, 1985.

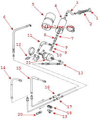
Porsche Fuel Filter Wiring Diagram Schematic Host Guest Host Guest Aliceviola It
Porsche Fuel Filter Wiring Diagram Schematic Host Guest Host Guest Aliceviola It from c767170.r70.cf2.rackcdn.com
Order new replacement fuel filter for porsche 944 online at up to 75% off list price! This is usually caused by at least one of 2 things: 101 results for porsche 944 fuel filter. Great with synthetic or conventional oil. Your 944 surge because of a lack of fuel pressure on high speed, between 120km/h up to 215km/h. The old filter was on there since 1995! The fuel filter is located at the back, near the fuel tank. I replaced the fuel filter but still wont start.

Fuel filter and power supply ok.

Refer to the component location photos and tables in this repair group for electrical component locations. The picture above shows the fuel filter approximately. It is above the rear axle on the right hand side. You'll receive email and feed alerts when new items porsche 944 fuel filter: ♦ replace fuses with those of the same rating. I replaced the fuel filter but still wont start. Unless the fuel filter was replaced recently, whenever the fuel pump is replaced a new fuel filter should be installed. Outstanding oil filtration for porsche 944 s models. Fuel filter and power supply ok. Unfollow porsche 944 fuel filter to stop getting updates on your ebay feed. Disconnect fuel lines, always counter when slackening threaded connectors. The fuel filter is often the forgotten filter. If you want the best handling driving in tough roads, the porsche is the best choice.

Allow fuel to flow into graduated cylinder for 30 seconds. It is above the rear axle on the right hand side. Improve fuel economy and learn how to determine if the filter is dirty on your 1987 porsche 944 turbo 2.5l 4 cyl. Uro parts 993 615 227 01 dme/fuel pump relay. Here's a cool kit we just put together as set of all the injector seals plus a set of 4 of the internal fuel filter thats in the top of the injector and the tool to remove them and install them and if you look at the last picture you will see.

2002 Honda Accord V6 Fuel Filter Wiring Diagram Blue Setup Blue Setup Cinemamanzonicasarano It
2002 Honda Accord V6 Fuel Filter Wiring Diagram Blue Setup Blue Setup Cinemamanzonicasarano It from i.ytimg.com
Unfollow porsche 944 fuel filter to stop getting updates on your ebay feed. Fast shipping, a+ rating from bbb, and usa customer support. On my car it is located in the central tunnel above other hoses 1/3 the way forward between the rear wheels and front wheels. Catch fuel exiting from lines in a suitable container. We are still working to obtain content for your car, however the video. Your 944 surge because of a lack of fuel pressure on high speed, between 120km/h up to 215km/h. Uro parts 993 615 227 01 dme/fuel pump relay. The picture above shows the fuel filter approximately.

It is above the rear axle on the right hand side.

Uro parts 993 615 227 01 dme/fuel pump relay. You'll receive email and feed alerts when new items porsche 944 fuel filter: Fast shipping, a+ rating from bbb, and usa customer support. This fuel filter ensures that particulates and impurities found in the various fuels are removed, protecting you engine from premature wear and tear and reduce performance. Porsche 944 s replacement oil filters. You'll receive email and feed alerts when new items arrive. Replace filter insert the filter and put everything back in place. Great with synthetic or conventional oil. Get the best deals on filters for 1989 porsche 944. Improve fuel economy and learn how to determine if the filter is dirty on your 1987 porsche 944 turbo 2.5l 4 cyl. Unfollow porsche 944 fuel filter to stop getting updates on your ebay feed. When failing earlier than expected, the power supply should be verified because a voltage drop in the fuel by vinay. As others have posted, it is not normally replaced unless symptomatic, ie;

You'll receive email and feed alerts when new items porsche 944 fuel filter: It is above the rear axle on the right hand side. I replaced my fuel pump and problem solved. See more of 944online new and used porsche 944 parts on facebook. Disconnect fuel lines, always counter when slackening threaded connectors.

I Have A Porsche 1977 930 Turbo That S Been Sitting Awhile Won T Start Pumps Are Running And I Have Spark I Think
I Have A Porsche 1977 930 Turbo That S Been Sitting Awhile Won T Start Pumps Are Running And I Have Spark I Think from ww2.justanswer.com
The picture above shows the fuel filter approximately. Fast shipping, a+ rating from bbb, and usa customer support. I replaced the fuel filter but still wont start. Additional thoughts on checking the filter. This fuel filter ensures that particulates and impurities found in the various fuels are removed, protecting you engine from premature wear and tear and reduce performance. Order new replacement fuel filter for porsche 944 online at up to 75% off list price! You'll receive email and feed alerts when new items arrive. When failing earlier than expected, the power supply should be verified because a voltage drop in the fuel by vinay.

It is above the rear axle on the right hand side.

On my car it is located in the central tunnel above other hoses 1/3 the way forward between the rear wheels and front wheels. I replaced the fuel filter but still wont start. Here's a cool kit we just put together as set of all the injector seals plus a set of 4 of the internal fuel filter thats in the top of the injector and the tool to remove them and install them and if you look at the last picture you will see. Replace filter insert the filter and put everything back in place. ♦ replace fuses with those of the same rating. Uro parts 993 615 227 01 dme/fuel pump relay. When failing earlier than expected, the power supply should be verified because a voltage drop in the fuel by vinay. Filter results by your vehicle amazon's choice for 944 porsche parts. Great with synthetic or conventional oil. Unfollow porsche 944 fuel filter to stop getting updates on your ebay feed. Faulty fuel pamp valve or faulty fuel pressure regulators. You'll receive email and feed alerts when new items porsche 944 fuel filter: If you want the best handling driving in tough roads, the porsche is the best choice.

By